This website requires JavaScript.
Explore
Help
Sign In
FlintyLemming
/
PLFM_RADAR
Watch
1
Star
0
Fork
0
You've already forked PLFM_RADAR
Code
Issues
Pull Requests
Actions
Packages
Projects
Releases
Wiki
Activity
Files
eddc44076aee7d20ca3c6f336bc82f22e6fb2fee
PLFM_RADAR
/
2_Functional Diagram & Interconnection Matrices
/
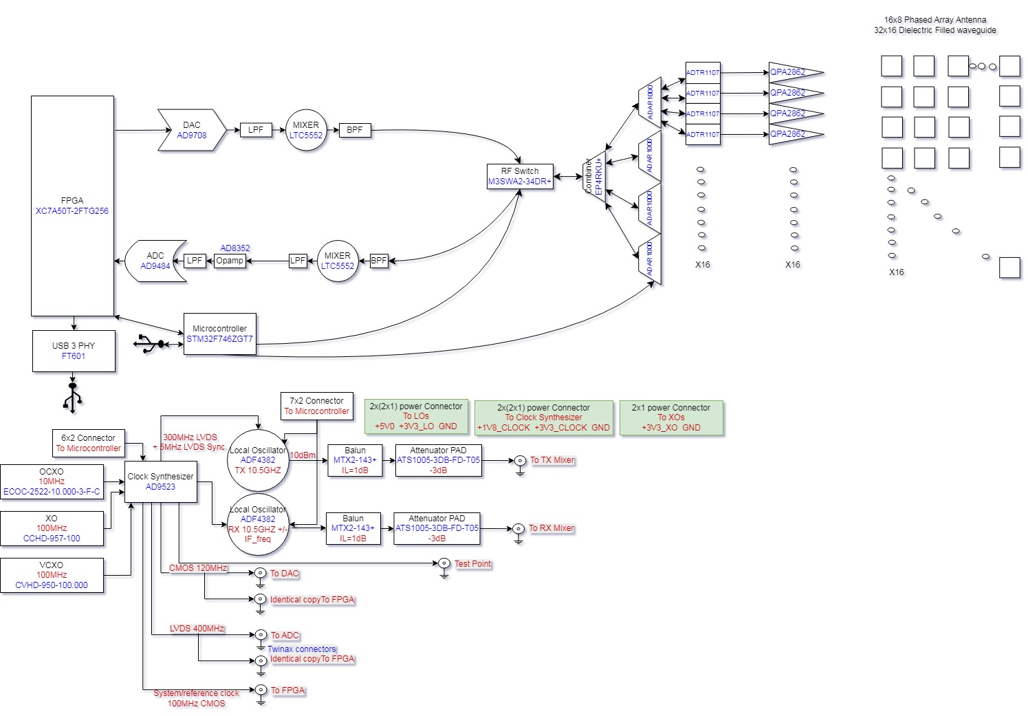
RADAR_V6.jpg
T
NawfalMotii79
f105d913d9
Add files via upload
...
Project structure
2026-03-08 23:29:06 +00:00
182 KiB
1495x1041px
Raw
History
Reference in New Issue
View Git Blame
Copy Permalink