This website requires JavaScript.
Explore
Help
Sign In
FlintyLemming
/
PLFM_RADAR
Watch
1
Star
0
Fork
0
You've already forked PLFM_RADAR
Code
Issues
Pull Requests
Actions
Packages
Projects
Releases
Wiki
Activity
Files
b01c507de8e6058d7cdb2dddc9e7138863aba8b4
PLFM_RADAR
/
8_Utils
/
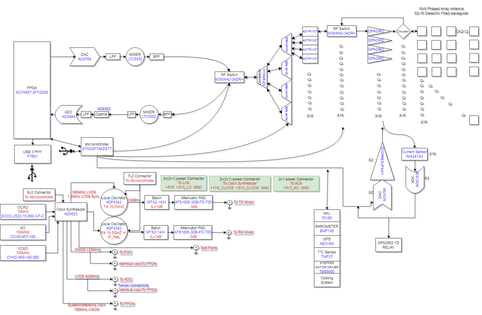
RADAR_V6_V2.png
T
NawfalMotii79
b01c507de8
Added Full Diagram
2026-03-20 00:22:45 +00:00
443 KiB
1589x1039px
Raw
History
Reference in New Issue
View Git Blame
Copy Permalink