This website requires JavaScript.
Explore
Help
Sign In
FlintyLemming
/
PLFM_RADAR
Watch
1
Star
0
Fork
0
You've already forked PLFM_RADAR
Code
Issues
Pull Requests
Actions
Packages
Projects
Releases
Wiki
Activity
Files
2539d46d93fdcaeefaf23af929b2aadbaa641bd4
PLFM_RADAR
/
docs
/
assets
/
img
/
RADAR_V6.jpg
T
Jason
94eed1e933
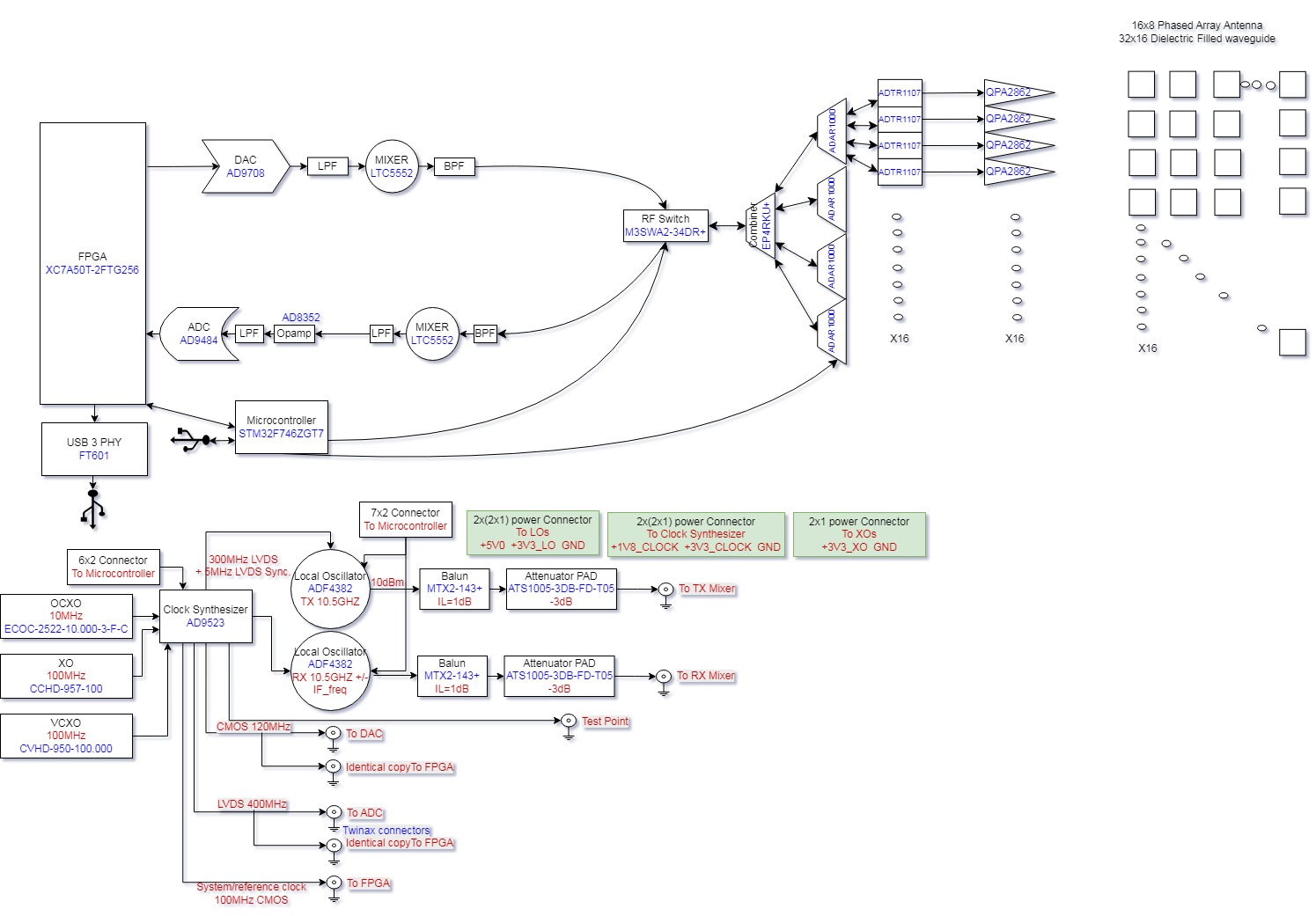
Expand GitHub Pages into full engineering documentation site
2026-03-18 21:40:44 +02:00
182 KiB
1495x1041px
Raw
History
Reference in New Issue
View Git Blame
Copy Permalink