This website requires JavaScript.
Explore
Help
Sign In
FlintyLemming
/
PLFM_RADAR
Watch
1
Star
0
Fork
0
You've already forked PLFM_RADAR
Code
Issues
Pull Requests
Actions
Packages
Projects
Releases
Wiki
Activity
Files
feat/ft2232h-default-ft601-option
PLFM_RADAR
/
2_Functional Diagram & Interconnection Matrices
/
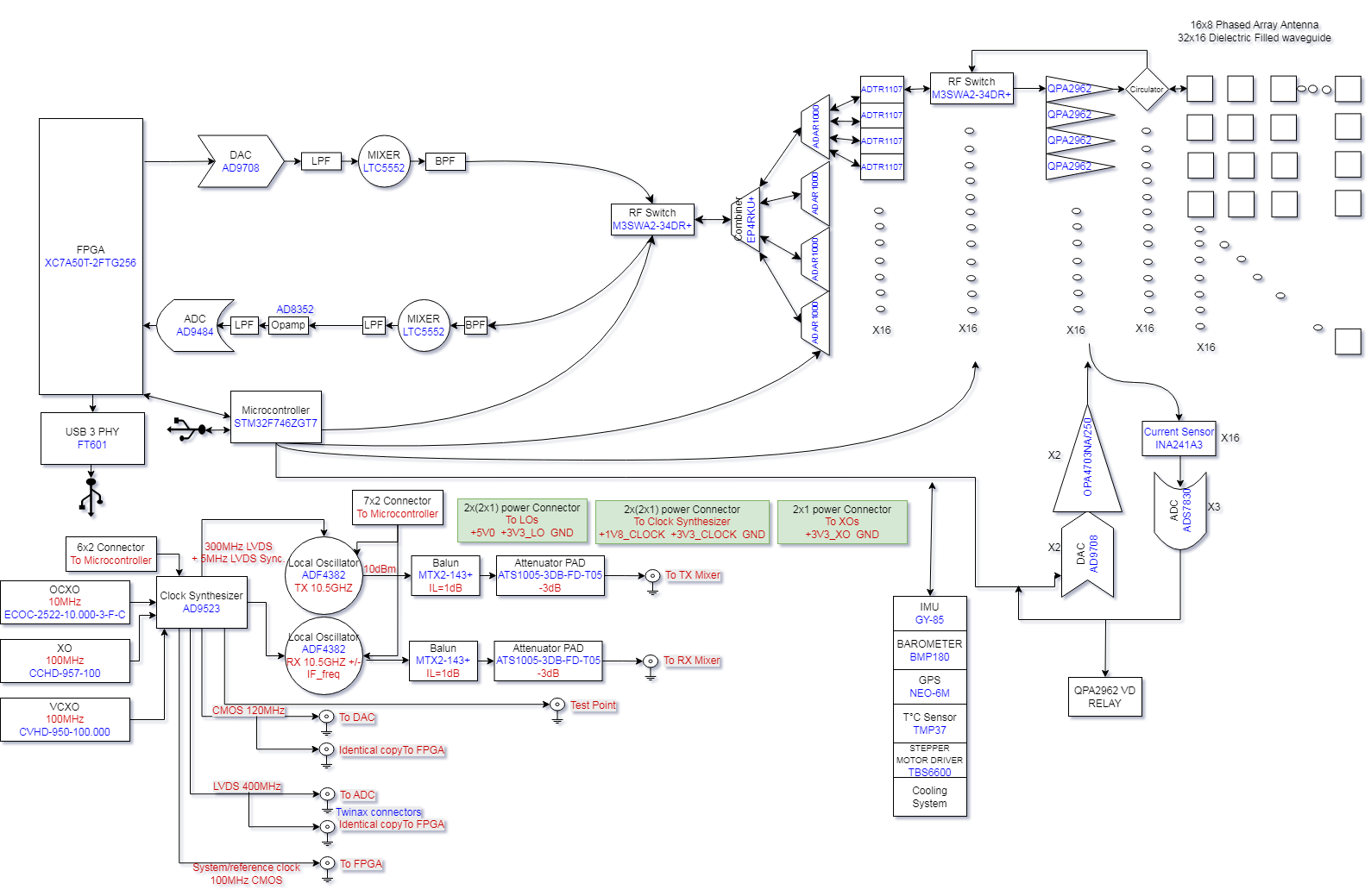
RADAR_V6_V2.png
T
Add File
New File
Upload File
Apply Patch
NawfalMotii79
836bf8fb9f
Complete Diagram
2026-03-20 00:17:42 +00:00
443 KiB
1589x1039px
Raw
Permalink
History
Reference in New Issue
View Git Blame
Copy Permalink